صفحه اصلی
برنامه نویسی
طراحی وب
علوم انسانی
علوم پایه
علوم پزشکی
عمومی و آزاد
فنی و مهندسی
کارآفرینی
کتاب و جزوه
گرافیک
نرم افزارهای آماده
صفحه اصلی
طراحی وب
علوم انسانی
علوم پایه
علوم پزشکی
عمومی و آزاد
فنی و مهندسی
کارآفرینی
کتاب و جزوه
گرافیک
نرم افزارهای آماده
فروشگاه بزرگ یک اسکریپت
آخرین فایل های منتشر شده
Interactions Between Adjuvants, Agrochemicals and Target Organisms
فایل اتوکد طراحی ویلای دوبلکس همراه با نمای چهار طرف پروژه
Programming Languages Implementation and Logic Programming: International Workshop PLILP 88 Orléans, France, May 16–18, 1988 Proceedings
پاورپوینت کامل با عنوان افزاره های منطقی برنامه پذیر (PLD) در 114 اسلاید
The Boundary Value Problems of Mathematical Physics
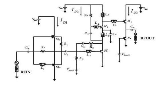
مقاله شبیه سازی شده با نرم افزار ADS با عنوان تقویت کننده کم نویز CMOS گیت مشترک با تکنیک Gm-Booating و P1dB بالا
Copper in Animal Wastes and Sewage Sludge: Proceedings of the EEC Workshop organised by the Institut National de la Recherche Agronomique (INRA), Stat
مقاله شبیه سازی شده با نرم افزار ADS با عنوان یک LNA گیت مشترک 2.4 گیگاهرتز کم توان با تکنیک Gm Boosting فعال
The Two Reformations in the 16th Century: A Study of the Religious Aspects and Consequences of Renaissance and Humanism
مقاله شبیه سازی شده با نرم افزار ADS با عنوان CMOS LNA کم توان و پر بهره بر اساس سلول اینورتر بایاس بدنه خود به خود
Geomagnetic Diagnosis of the Magnetosphere
دانلود پروژه آماده مایکروسافت پروجکت پروژه ساختمان 4 طبقه با زیر زمین MSP
«
370
371
372
373
374
375
376
377
378
»